Nicht immer ist die Fehlersuche so einfach wie in diesem Fall. Oftmals zeigen verbrannte Widerstände oder überlastete Elkos und Kondensatoren eine mögliche Fehlerquelle an. Die Ursachen für den Defekt können aber im Verbogenen liegen. Unterbrechungen und Wärmefehler haben genauso ihre Ursache.
Im vorliegenden Fall geht es um einen Cambridge Vollverstärker Azur 640A. Der Verstärker lässt sich ganz normal bedienen liefert jedoch kein Ausgangssignal. Weder über die Lautsprecherausgänge noch über die Kopfhörerbuchse konnte ein Signal abgenommen werden.

Eine Sichtprüfung schränkt die Fehlersuche ein. Es muss nicht immer erst ein Messgerät angelegt werden. Mit den Sinnen prüfen. Sieht ein Bauteil verändert aus ? Entwickelt ein Bauteil außergewöhnlich viel Wärme? Riecht es im Gerät verbrannt ? Reagiert das Gerät auf Klopfen oder auf Wärme oder Kälte? Viele Fehler lassen sich so eingrenzen.

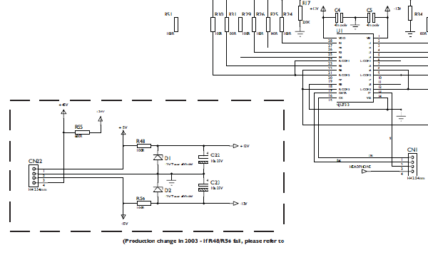
Im Bild sichtbar die Quellenwahl mit U1 IC NJU7313AL daneben die Widerstände R56 und R48 sowie die Zener Dioden D1 und 2. Genauer zu betrachten sind aber die Elkos C22 und C23. Ein Kapazitätsverlust hier führt zu einer Unsymetrie der Versorgungsspannung +12 V und -12 V.
